UNITRAILER TJ5001 sveivstøtte for 1300 kg tilhenger
UNITRAILER TJ5001 sveivstøtte for 1300 kg tilhenger
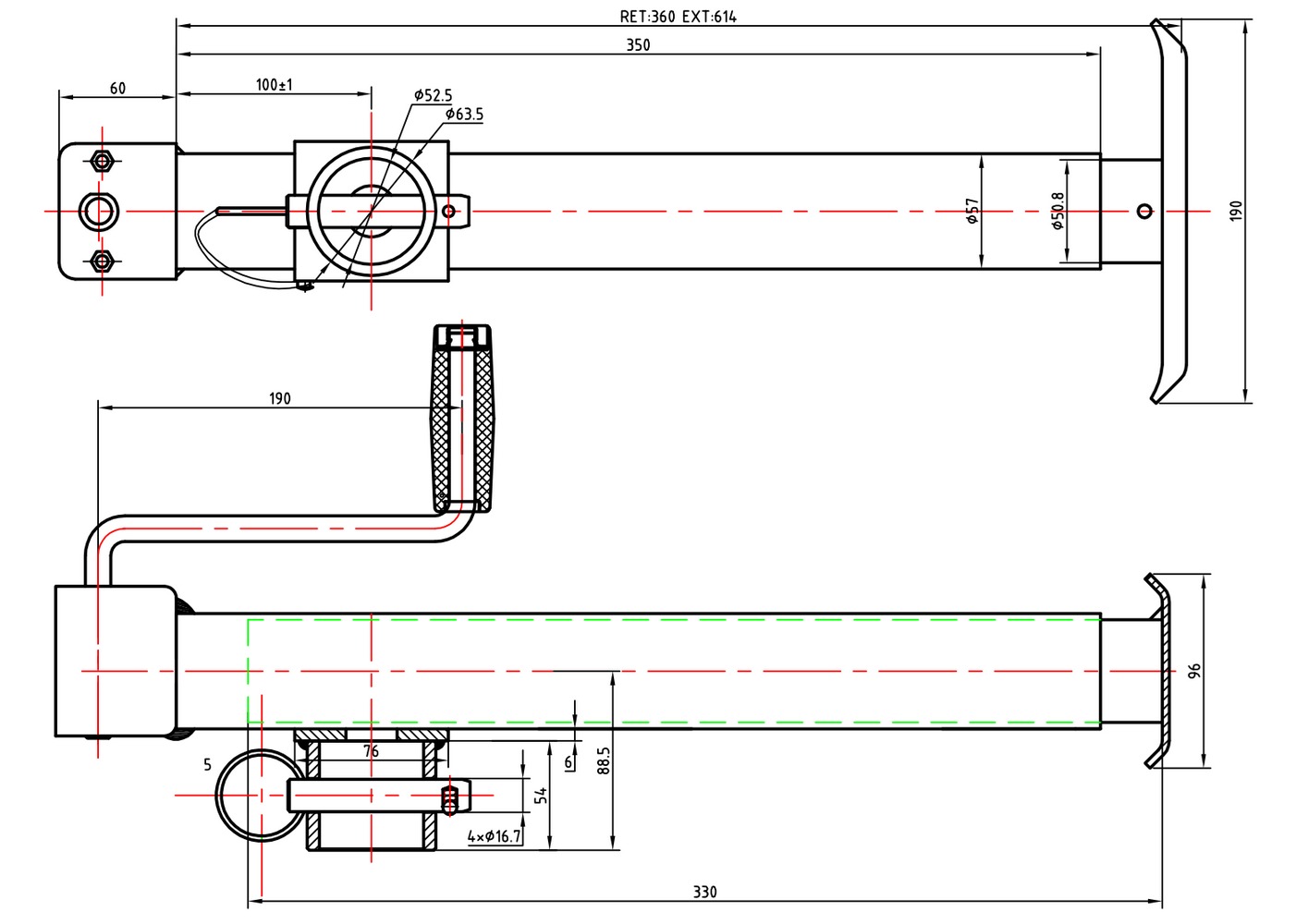
TJ5001-krankstøtten er en pålitelig løsning som sikrer stabiliteten til ulike typer maskiner og kjøretøy . Takket være maksimal løftekapasitet 1300 kg og regelverk på feltet 360 mm - 614 mm , støtter effektivt kjøretøy når de står stille, og beskytter dem mot velting og overdreven belastning.
Sveivmekanismen gir usedvanlig jevn drift, noe som muliggjør presis heving og senking samt rask justering av støttehøyden. Takket være den slitesterke konstruksjonen er løfteren egnet for både daglig bruk og krevende arbeidsmiljøer, og sikrer pålitelig drift under alle forhold. Solid stålkonstruksjon garanterer høy motstand mot belastninger og intensiv bruk, mens pulverlakkering øker motstanden mot korrosjon og mekanisk skade, noe som sikrer lang levetid under veiforhold .
Støtten er en ideell løsning for brukere landbruks- og anleggsmaskiner, samt transport- og campingvogner , der stabilisering og nivellering av kjøretøyet i ujevnt terreng er avgjørende for sikkerheten. Det brukes også i Luftfarts- og byggebransjen , hvor pålitelig og holdbar støtte for maskiner og utstyr er avgjørende for at de skal fungere ordentlig. Takket være allsidigheten er det et uunnværlig utstyr i mange bransjer.
TJ5001 krankstøtte designet for bruk med TJ5002A brakett.


























