Automatisk støttehjul for tilhengere Knott ATK60
739,02 NOK
Netto pris
90900 pkt
909 pkt
Spør etter produktet
Napisz swoją opinię
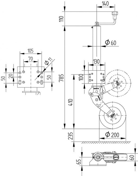
Salgsobjektet er et støttehjul for tilhengere av det anerkjente Knott-merket. Hjulet krever ikke klemme. Den har en monteringsbrakett med hull som kan festes direkte på tilhengeren. Hjulet er laget av materialer av høyeste kvalitet. Den har justerbar høyde. Dens tillatte dysebelastning. er så mye som 250 kilo. Diameteren på røret er 60 mm, høyden på den utfoldede sirkelen er 955 mm. Hjulet er ideelt for bruk med vogner eller båthengere. Takket være enheten er det betydelig forenklet å manøvrere tilhengeren, feste den og fjerne den fra kroken.
- Sveiset klemme
- Regulert høyt
- Bæreevne 250 kg
- Rørdiameter 60 mm
- Monteringshull diameter: 11 mm
Produsent
KNOTT
Produktkode
UT000177
Enhet som er ansvarlig for dette produktet i EU
KNOTT Sp. z o. o.Mer
Adresse:
Zdziechowice 100Postnummer: 63-011Poststed: PławceLand: PolenAdres email: info@knott.pl
























