Tilhengerkule Winterhoff KUB 50 mm - 3500 kg
410,64 NOK
410,64 NOK
Netto pris
50509 pkt
505.09 pkt
Spør etter produktet
Andre kjøpte også
Tilhengerkule Winterhoff KUB 50-3500 kg
Kulen til tilhengerfestet er konstruert for bruk med koblingskulen på enakslede tilhengere eller tilhengere med midtaksel. Krokkulen kan med hell monteres på biler, traktorer eller firhjulinger.


Kan monteres i kjøretøy med en maksimal vekt på 32 tonn . For en KUB 50-3500 kg kule er den tillatte DMC(GVM) på tilhengeren 3500 kg , og den vertikale lasten er 200 kg . Tiltrekking av kroken bør gjøres med en momentnøkkel satt til 580 nm .

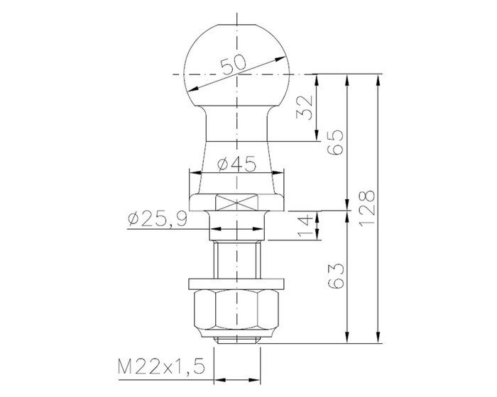
De nøyaktige dimensjonene er vist i diagrammet til høyre
- Gjenge: 22 mm
- Kulediameter: 50 mm
Settet inkluderer en mutter og en skive .

Produsent
WINTERHOFF
Produktkode
UT001224
Modell
KUB 50-3500 KG
Maks. tillatt totalvekt
3500 kg
Støttebelastning
200 kg
Kulediameter
50 mm
Enhet som er ansvarlig for dette produktet i EU
AL-KO Technology Polska Sp. z o. o.Mer
Adresse:
Wysogotowo, ul. Bukowska 10Postnummer: 62-081Poststed: PrzeźmierowoLand: PolenAdres email: al-ko@al-ko.pl























