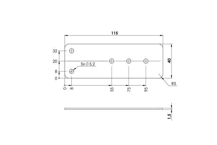
Pute for sidefeste ZB-13A UNITRAILER 40x115mm
Pute for sidefeste ZB-13A UNITRAILER 40x115mm
ZB-13A sidefestepute er et monteringselement som er utformet for riktig montering av ZB-13A sidefeste. Med dimensjoner på 115 × 40 mm gir den stabil støtte, forbedrer koblingens holdbarhet og reduserer slitasje på sidefestekomponenter under daglig bruk av tilhengeren.
Tilhengerutstyr, som hengerfester og sidelåser, spiller en avgjørende rolle for å sikre sikkerheten til transportert last. De gjør det mulig å lukke sidene sikkert og raskt , og forhindrer at de åpnes under kjøring. De brukes på alle typer tilhengere – fra transporttilhengere til anleggs- og landbrukstilhengere – spesielt når det er nødvendig med hyppig åpning og lukking av sidene. De sørger for at sidene forblir sikkert lukket selv under tung last, noe som sikrer trygg og komfortabel transport av varer.


















