STEELPRESS PW-01 gulvholderskive, forsterkningsplate for sikring av tilhengerlasten
PW-01 forsterkende pute for UP-01 gulvholder fra STEELPRESS
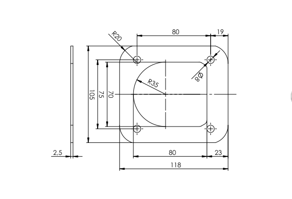
PW-01 forsterkende pute, produsert av Steelpress, er et element designet spesielt for å fungere med UP-01 gulvfeste. Laget av galvanisert stål, gir den utmerket korrosjonsbestandighet og langvarig holdbarhet under ulike driftsforhold. den har fire monteringshull med en diameter på 8 mm, en lengde på 118 mm og en bredde på 105 mm.
PW-01 forsterkningsplaten brukes hovedsakelig i tilhengere, semitrailere og andre transportkjøretøyer . Den brukes til å forsterke gulvhåndtak, noe som øker stabiliteten og sikkerheten til den festede lasten. Takket være sin solide konstruksjon og presise dimensjoner, støtter PW-01-skiven effektivt gulvholderen , minimerer risikoen for skade og sikrer sikker montering selv under vanskelige transportforhold.
Passer til UP-01 gulvholder




















