AL-KO 2.8VB1 påløpsanordning med AK351 tilhengerfeste for en 3500 kg tilhenger med firkantet drag
AL-KO 2.8VB1 påløpsanordning med AK351 tilhengerfeste for en 3500 kg tilhenger med firkantet drag
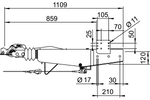
Påløpsanordningen 2.8VB1 fra AL-KO er en allsidig løsning designet for bremsede tilhengere og bergingsbiler med 120 mm firkantet profildrag, med en totalvekt fra 2500 kg til 3500 kg . Den kjennetegnes ved en maksimal tillatt vertikal last på 150 kg, noe som garanterer optimal lastfordeling mellom tilhengeren og trekkvognen. 2.8VB1 -enheten er utstyrt med et AK 351 kulefeste , som sikrer en stabil og sikker tilkobling til kjøretøyet, og er kompatibel med bremsemekanismen AL-KO 2361.
Overkjørsanordningen er en avansert løsning som forbedrer sikkerheten og komforten ved kjøring med tilhenger eller bergingsbil betydelig. Takket være bruken er det mulig å forkorte stopplengden og opprettholde et stabilt kjørespor mens du bremser settet . Enheten bremser automatisk det tauede kjøretøyet ved å samarbeide med bilens bremsesystem, som støtter driften og påvirker trafikken. Bruk av påløpsanordning øker ikke bare trafikksikkerheten, men bidrar også til å redusere slitasjen på bremsesystemet i trekkvognen. I tillegg er denne enheten ekstremt funksjonell også når den står stille, slik at du effektivt kan blokkere kjøretøyet fra å rulle forover eller bakover.

AK 351 kulefeste
Det installerte AK 351 kulefestet fra AL-KO sørger for en solid og sikker forbindelse til trekkvognen. Laget av slitesterkt støpejern, sikrer den maksimal holdbarhet og belastningsmotstand. I tillegg er koblingen utstyrt med avanserte sikkerhetssystemer: en indikator for koblingsslitasje , som informerer om behovet for å skifte ut elementer, en korrekt koblingsindikator , sikrer korrekt kobling, og beskyttelse mot feilkobling , og eliminerer risikoen for utilsiktet frakobling under kjøring.

Anti-korrosjonsbeskyttelse
Overløpsanordningen med et varmgalvanisert stålhus bruker avansert anti-korrosjonsbeskyttelsesteknologi. Galvaniseringsprosessen skaper et slitesterkt belegg på hele overflaten av elementet, som effektivt beskytter mot rust, korrosjon og mekanisk skade. Huset tåler ekstreme værforhold, inkludert fuktighet, veisalt og temperatursvingninger , noe som er avgjørende for enheter som er konstant utsatt for vanskelige veiforhold. Takket være denne beskyttelsen opprettholder enheten sine egenskaper i lang tid, og minimerer behovet for vedlikehold og utskifting. Dette gir langsiktige besparelser og pålitelighet under tilhengerdrift.


























