Klemme for WINTERHOFF KLE48 støttehjul 48 mm
Spar ved å kjøpe mer

Støttehjul med klemme WINTERHOFF ST48-200VB+KLE48 150kg 48mm 505-725mm

Fast støtte med klemme WINTERHOFF RSR48-600+KLE48 150kg 48mm 600mm

Fast støtte med klemme WINTERHOFF RSR48-700+KLE48 150kg 48mm 700mm

Støttehjul med klemme WINTERHOFF ST48-260LB+KLE48 150kg 48mm 500-710mm

Støttehjul med klemme WINTERHOFF ST48-200V+KLE48 150kg 48mm 505-725mm

Uttrekkbar sveivstøtte med klemme WINTERHOFF ST48-120+KLE48 150kg 48mm 600-820mm
Klemme for WINTERHOFF KLE48 støttehjul 48 mm
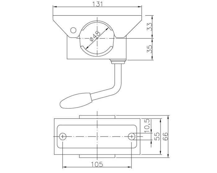
KLE48- klemmen (tvinge) fra WINTERHOFF er designet for montering av et støttehjul eller en støtte med et rør med 48 mm diameter , noe som sikrer et stabilt og sikkert feste til tilhengerens trekkstang. Klemmen er 131 mm lang og 66 mm bred , noe som sikrer tilstrekkelig klemflate og solid støtte for røret. Den er utstyrt med to monteringshull med 10,5 mm diameter og 105 mm avstand, noe som muliggjør enkel og presis montering på tilhengerens konstruksjon.

Tillatt belastning
Klemmens maksimale lastekapasitet er 250 kg , noe som sikrer stabil og sikker feste av støttehjulet til tilhengerens trekkstang under parkering, lasting og lossing. En riktig valgt lastekapasitet sikrer at støtterøret forblir sikkert på plass, reduserer risikoen for løshet og øker driftssikkerheten. Å opprettholde maksimale lasteverdier er avgjørende for å opprettholde holdbarheten til monteringskomponentene, beskytte konstruksjonen mot overbelastning og sikre lang, problemfri drift.

Antikorrosjonsbeskyttelse
Støttehjulklemmen er laget av elektrogalvanisert stål , noe som gir effektiv beskyttelse mot korrosjon og lang levetid, selv ved intensiv utendørs bruk. Sinkbelegget beskytter stålkomponentene mot fuktighet, veisalt og skiftende værforhold, noe som øker holdbarheten og motstanden mot mekanisk skade.
Klemmen er et viktig monteringselement for støttehjulet eller støttebenet , og muliggjør stabil og sikker festing til tilhengerens trekkstang. Den holder røret sikkert på plass og sikrer sikkerhet under parkering og manøvrering. Den gjør det mulig å støtte trekkstangen, raskt koble til og fra tilhengeren , og manuelt rulle tilhengeren på gårdsplassen, i innkjørselen eller på verkstedet. Denne praktiske og pålitelige løsningen, som brukes på transporttilhengere, båttilhengere og campingvogner , sikrer holdbarhet og strukturell stabilitet. Av sikkerhetsmessige årsaker, sjekk spaktrykket og tilstanden til støttehjulrøret før hver tur.
























